ups电源

电源364阅读模式

UPS即不间断电源(Uninterruptible Power Supply),是一种含有储能装置的不间断电源。主要用于给部分对电源稳定性要求较高的设备,提供不间断的电源。

作用和原理

ups电源文章源自:https://www.tuzier.com/兔子摄影网-https://www.tuzier.com/61572.html

在电力系统中, DCS( 分布式控制系统),监控系统、自动化仪表,调度通信系统、微机系统等核心设备对供电质量及可靠性要求非常高,需要专用 UPS 供电,这些负载绝大多数为单相负载。文章源自:https://www.tuzier.com/兔子摄影网-https://www.tuzier.com/61572.html

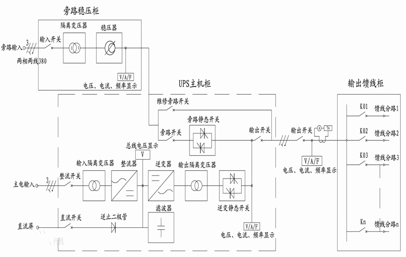
电力UPS系统一般由电力UPS主机、旁路稳压柜、输出馈线柜等三部分组成(小功率时也可三合一)。文章源自:https://www.tuzier.com/兔子摄影网-https://www.tuzier.com/61572.html

1、电力UPS主机柜:输入输出隔离变压器、整流器、逆变器、静态旁路开关、 旁路开关、逆止二极管;文章源自:https://www.tuzier.com/兔子摄影网-https://www.tuzier.com/61572.html

2、旁路隔离稳压柜:旁路隔离变压器、旁路稳压器、手动/旁路维修开关;文章源自:https://www.tuzier.com/兔子摄影网-https://www.tuzier.com/61572.html

3、馈 线 柜: 回路分配单元、监测仪表、 控制开关及信号指示等;文章源自:https://www.tuzier.com/兔子摄影网-https://www.tuzier.com/61572.html

市电正常时,交流电经过隔离、整流滤波后通过逆变器提供稳定的交流电源给负载供电;若交流电输入异常或断电时,则由直流屏经逆止二极管供出直流电,逆变后输出给负载使用。当直流屏欠压或断电时,静态开并切换到交流旁路供电 。文章源自:https://www.tuzier.com/兔子摄影网-https://www.tuzier.com/61572.html

UPS不间断电源的由来
ups不间断电源最早是在1934年,由一名叫John Hanley的科学家申请的专利,并在美国完成了第一台UPS不间断电源的建造及安装。从1932年11月2号开始,1934年4月3日完成。
为什么要购买UPS
UPS电源简单地说就是:如果停电了,UPS电源里的蓄电池立刻为负载供电,供电正常时,UPS电源为负载提供电力保护,输出稳定纯净的市电,基本上购买UPS不间断电源,都是为了以下这几个目的。
ups是什么意思
ups是什么意思,ups有两个意思,分别是:不间断电源和快递,ups是在电网异常(如停电、欠压、干扰或浪涌“也称:涌浪电流”)的情况下不间断的为电器负载设备提供后备交流电源,维持电器正常运作的设备。
UPS不间断电源放置方式
塔式顾名思义就是像塔一样可以竖立起来的,类似于影碟机那样。这种UPS占地空间小,基本上就直接竖着放就行了,几乎所有家用UPS不间断电源都是塔式的。
UPS不间断电源运作方式
后备式UPS不间断电源的原理主要是通过将铅酸蓄电池和电路板等电子配件安装在一起,再通过逆变器将一般的直流电转换成市电,给电池充电,等到断电时,再输出给负载硬件。
哪一家UPS电源厂家好
说白了,UPS就是备用电源,为一段时间内不想断电的设备提供备用电源。UPS除了延时功能之外,还有稳频稳压的功能,尤其是稳压功能,非常有用,非常必要。因为现在电网不是很稳定,杂质多,所以UPS的好处很明显。
维谛UPS
目前,我国的中功率UPS电源种类繁多,消费者该如何选择一个好中功率UPS成为行业一大难题。其实,中功率UPS好与否主要体现在可靠、节能、维护、成本及适用范围五方面。
ups电源什么品牌的好
目前UPS电源的品牌众多,UPS电源在国内技术已经相当的成熟,国际品牌有;施耐德APC,艾默生,伊顿等品牌,国产知名品牌有:台达(台湾合资品牌),科士达,华为,易事特,科华,山特等品牌。
科士达ups电源
深圳科士达科技股份有限公司,成立于1993年,UPS不间断电源知名品牌,上市公司,致力于数据中心关键基础设施产品、太阳能光伏发电系统产品、电动汽车充电系统、储能产品的研发、制造及一体化解决方案应用的高新技术企业。
UPS选购要点
瓦数决定了能带多少设备,容量决定了UPS不间断电源在市电中断后能使用多久,这是选购UPS不间断电源的两大核心点。
ups不间断电源
ups不间断电源是一种含有储能装置,以逆变器为主要组成部分的恒压恒频的不间断电源。主要用于给单台计算机、计算机网络系统或其它电力电子设备提供不间断的电力供应。
文章源自:https://www.tuzier.com/兔子摄影网-https://www.tuzier.com/61572.html文章源自:https://www.tuzier.com/兔子摄影网-https://www.tuzier.com/61572.html
 
  • 本站文章来自网友投稿、本站原创以及互联网统一发布,部分内容、文字的真实性、完整性、及时性本站不作任何保证或承诺,请读者仅作参考。转载请务必保留本文链接:https://www.tuzier.com/61572.html