今天给大家说一个,熟悉同时又很陌生的摄影器材——闪光灯,熟悉是因为我们都知道它,陌生是对它的了解还太少,在用它拍摄的时候,总是出现这样的情况那样的问题,照片容易出现过曝或者变暗,下面我们介绍下闪光灯电路。
手机照相机闪光灯控制电路文章源自:https://www.tuzier.com/兔子摄影网-https://www.tuzier.com/5648.html
文章源自:https://www.tuzier.com/兔子摄影网-https://www.tuzier.com/5648.html
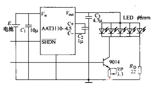
200mA峰信电流的手机照相机闪光灯电路,采用一只AAT3110-4.5的电容式电荷泵芯片,将手机锂电池的电压升压并稳压至4.5V,向一组发光二极管LED提供工作电压和100~200mA峰值电流。峰值电流经作为闪光开关的VF形成回路。电荷泵的输入滤波电容的电容量为lOtiF,输出滤波电容的电容量为4. 7vF,储能电容的电容量为ltiF。Ri,为发光管LED的平衡电阻。RP为峰值电流调节电阻,调节RP的阻值可以设定峰值电流的大小。文章源自:https://www.tuzier.com/兔子摄影网-https://www.tuzier.com/5648.html
推荐阅读:文章源自:https://www.tuzier.com/兔子摄影网-https://www.tuzier.com/5648.html
闪光灯品牌,闪光灯效果,微距闪光灯文章源自:https://www.tuzier.com/兔子摄影网-https://www.tuzier.com/5648.html
闪光灯内部简图:文章源自:https://www.tuzier.com/兔子摄影网-https://www.tuzier.com/5648.html
文章源自:https://www.tuzier.com/兔子摄影网-https://www.tuzier.com/5648.html
1,接通电源后,振频器配合第一组线圈,与第二组线圈产生感生电流,由于第二组线圈比第一组大,会产生升电压降电流作用,令电压由6V 升压至300V 的交流电。 在升压过程中,会听到高频声响。文章源自:https://www.tuzier.com/兔子摄影网-https://www.tuzier.com/5648.html
2,第二组线圈的交流电会通过一个单向二极管,将电流由交流电变回直流电,储藏在电容内,即进行充电。文章源自:https://www.tuzier.com/兔子摄影网-https://www.tuzier.com/5648.html
3,电容与一个颗带电阻的指示灯连接,尤如一个自动开关,当灯全亮时,就会中断充电过程。文章源自:https://www.tuzier.com/兔子摄影网-https://www.tuzier.com/5648.html
4,当闪光灯连接相机,快门打开时,亦即同时合上闪光灯回路,接通电容后,电流会通过第二个升压器,将300V 电流再升压至1000V 或以上。
5,在超高电压下,大量电子冲击闪光管内的氙气,令绝缘的氙气进入电离状态,转化成光能,形成一次闪光。
照相机闪光灯电路图
摄影爱好者在室内、夜间、阴影下或逆光的情况下进行摄影时,若要获得满意的拍摄效果,通常要用借助各种的辅助照明设施,这其中以电子闪光灯的性能最佳。而电子闪光灯的种类很多,从结构区分,主要有单体闪光灯和照相机内藏式闪光灯两大类。从电路区分,主要有以下几种常见电路。
推荐阅读:
最普通的闪光灯电路通常由DC—DC变换、储能、充电显示、触发及闪光灯管组成。如图l、图2所示。市场上的卡片机和过去常用的低档胶片傻瓜相机的内藏闪光灯一般都采用这类电路。图1、图2所示电路的工作原理是相同的。接通电开关后,由三极管和振荡线圈、整流二极管构成的反擞式DC-DC变换电路将电池的低电压变换成300V左右的直流脉动电压,对储能电容器充电,当电压上升到额定电压的百分之七十(约200V左右)时,VG点亮。这时即可按动快门按钮,进行闪光摄影。快门动作时,同步触发开关闭台,触发闪光灯管,储能电容器通过闪光灯管放电闪光。
在图一、图二的电路中,当VG点亮之后,由于振荡电路在工作,故耗电较大。若将图一、图二中的部分电路改为图三、图四所示,则可能大大降低VG点亮后的耗电。
在图三所示的电路中,在储能电容器C2所充电压低于VG的启辉电压(一般为25o~27OV)时,VG不点亮,VT4因无基极偏流而截止,振荡电路工作。当c2所充电压太于VG 的启辉电压时,VG点亮,VT4导通,振荡管VT3截止,此时电源所消耗的电流基本上由R4决定。当C2上的电压降低时,VG熄灭,VT4截止,VT3又进入振荡工作状态。
图四所示电路的工作原理与图3类似。自动调光闪光灯电路采用自动调光的闪光灯,可根据被摄物体所受光照的强弱,自动确定灯闪时间的长短,来得到正确的闪光曝光量。
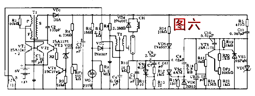
图5所示为并联控制式自动调光闪光灯电路电路中振荡和主闪光灯管的触发闪光与普通闪光灯相似。当主闪光灯管发光后,光敏管VD2 接收到被摄物体反射回来的光,使可控硅VS导通,于是C6储存的电能经T3振荡升压,触发旁路闪光灯泡,迅速将主电容器C2的电能泄放,使主闪光灯管停止发光,从而获得正确的闪光曝光量。由于并联控制式电路比较简单,故应用广泛。
图6所示电路的闪光指数可在一定范围内连续可谓,其振荡管由VT1,VT2并联而成,从而改善了振荡管的太电流工作条件。主电容器C3为恒压充电。闪光指数的调节是通过电位器RP1来实现的。调节RP2,可改变VT5的发射极电位,该电位与C9上的积分电压相比较,然后变成和闪光灯闪光时间相对应的脉冲信号,使可控硅VS2导通 于是C6储存的电能反向加到VS1两端,迫使VS1关端,闪光灯管停止闪烁。
图7、图8电路所示的是自动闪光灯,在图7所示电路中,当被摄物的亮度较低时,光敏电阻R7的阻值增大,三极管VT1饱和导通,VT2截止,闪光振荡电路开始工作。反之,由于VT3的基极被VT2饱和钳制而不能振荡。
图8所示电路的特点是,在未摄影前。主电容器C3已充好电。摄影时,如果被摄物体的亮度较弱,则VTl截止.VS导通,随着快门的开启,同步开关s2接通,闪光灯闪亮。反之,VT1饱和导通,vs截止,闪光灯不闪亮。
目前,很多相机上设有延时自动断电功能,一般是打开相机前盖开关后,若在几十秒钟内没有拍照,则相机(包括内藏闪光灯)自动断电。此时按下拍摄按钮,只需在拍摄按钮按至中遗约停留一秽钟,即可自行恢复通电。
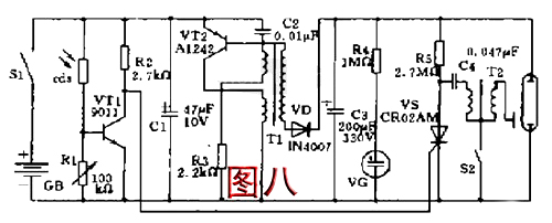
在图9所示白廿自动断电闪光灯电路中,增加了一个延时电路。当电源开关S1接通后,比较器输出低电平,VT1导通,闪光灯振荡,主电容器C3充电。在VT1导通期间,若进行了拍摄,即手拍按钮开关S2或自拍开关S3接通,则比较器持续保持低电平状态。否则,随着计时电容器C1的充电,当A点电位低于B点电位时,比较器输出高电平,VT1截止,闪光灯停振。







